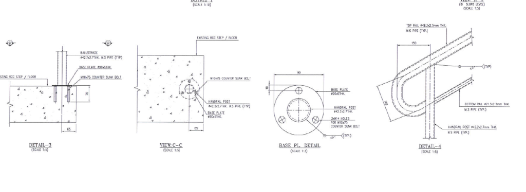
Delivery of 225KJ11H delivery of end cap for mild steel handrail pipes. material : galvanized steel end cap